BareMetal PLC XL
BareMetal PLC XL Description
Overview
Bare-metal PLC XL Controller has various powerful features and can service a wide range of applications. The controller has the following interfaces on board: Fast Ethernet , CAN bus, RS485, RS232, 5 relay outputs, 5 discrete inputs, 5 discrete outputs. The main microcontroller is built on the Cortex-M7 core with a clock frequency of 216 MHz and also supports DSP instructions and FPU instructions.
Hardware description
- Onboard Rlink programmer
- MCU Cortex-M7: 216 MHz
- SRAM: 512 Kbytes
- 1 Mbytes of MCU flash memory + Quad SPI 16 Mbytes memory
- Ethernet port (Fast Ethernet)
- 5 Relay outputs 55V 1.5A ( Max switch frequency 3Hz )
- 5 Discret Outputs (12-24V 70mA)
- 5 Discret Inputs
- CAN Bus
- RS485
- RS232
Functional Diagram
Pinout and symbols
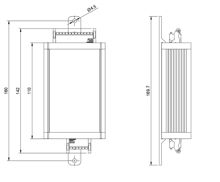
Dimensions
3D model in .stp here



